技术专题
HL型立式长轴斜流泵吸水池推荐尺寸
2020/3/15 11:57:24
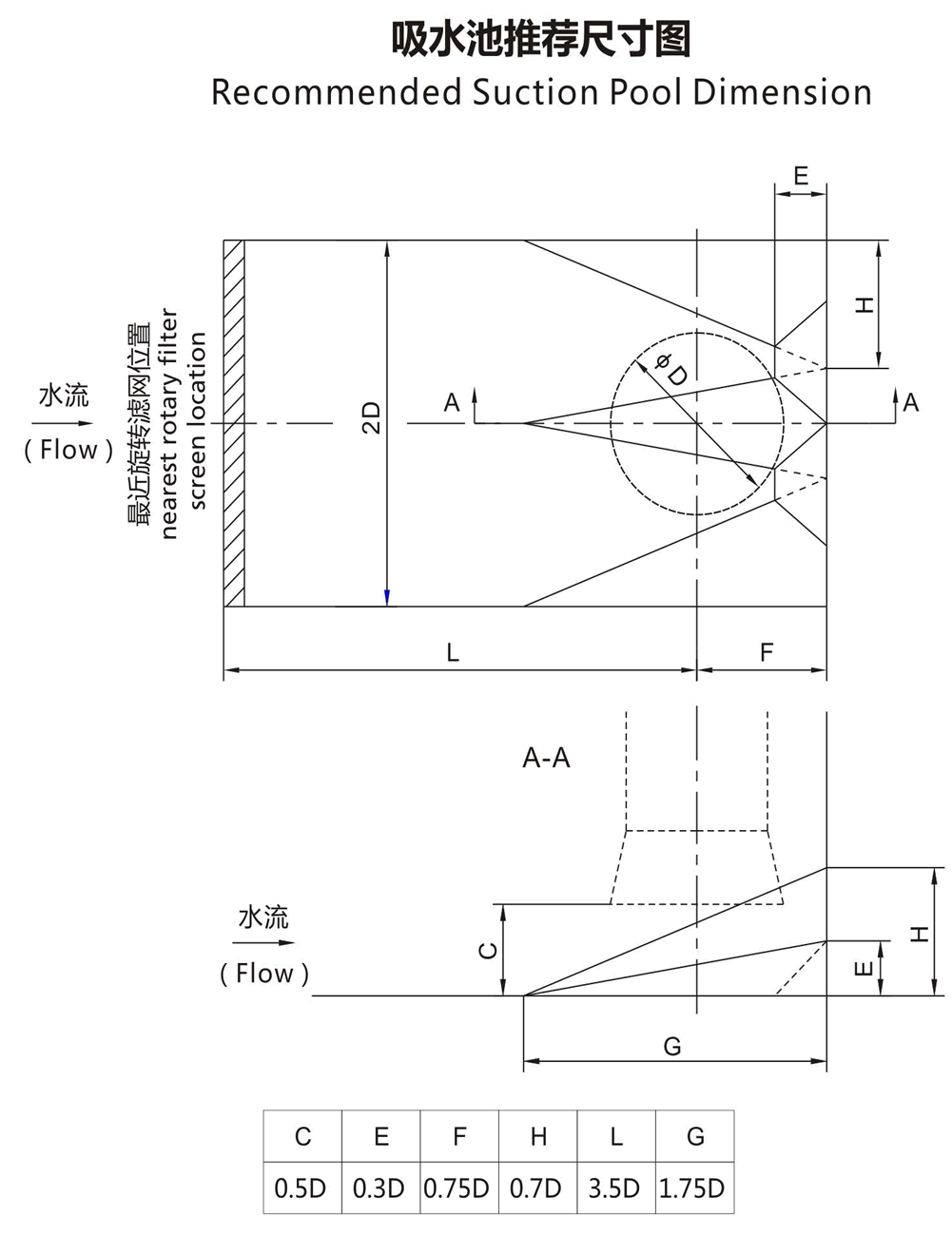
HL型立式长轴斜流泵吸水池推荐尺寸:HLB、HLBK、HLKT、HLBS、HLKS等长轴泵,立式长轴泵,长轴斜流泵,立式斜流泵,长轴泵吸水池,立式长轴泵吸水池推荐尺寸,仅供参考,以实物为准!

HL型立式长轴斜流泵吸水池推荐尺寸:HLB、HLBK、HLKT、HLBS、HLKS等长轴泵,立式长轴泵,长轴斜流泵,立式斜流泵,长轴泵吸水池,立式长轴泵吸水池推荐尺寸,仅供参考,以实物为准!
